在电池储存或运行过程中可能会因为自身化学反应放热积聚或外界热源影响发生热失控,影响储能系统的安全性能,结合储能系统对消防系统的特殊要求,山东普思智能科技有限公司设计了全自动消防灭火系统,普思全自动电池舱消防灭火系统以科技智慧编织储能消防安全防护网。
一、电池舱消防系统整体布局
电池舱内配置全自动消防灭火系统,包含可燃气体检测、PACK 级全氟己酮气体灭火、进排风、水喷淋(选配)四大系统,通过精密布局实现火灾全周期防护。
关键组件:
· 可燃气体探测器(CO、H2)、多合一探测器(PACK 内)
· 全氟己酮灭火钢瓶、喷放管路及喷嘴
· 防爆轴流风机、电动进风百叶
· 水喷淋管路(DN65 接口、变径钢管、5 只开式喷头)



电池舱消防布局示意图
二、核心系统工作原理
1. 气体灭火系统:PACK 级准确防护
· 探测逻辑:每个PACK 内部安装多合一探测器,实时监测热失控信号并上传消防主机3。
· 灭火策略:以电池簇为单元,采用全氟己酮洁净气体全淹没式喷放,通过管路均匀释放至PACK 内,快速覆盖起火点。
2. 可燃探测与排风系统:早期预警与空气置换
· 气体监测:CO/H2探测器实时检测舱内气体浓度,一级阈值触发声光报警、断开簇级断路器并启动排风;二级阈值维持排风运行。
· 通风控制:防爆排风系统在气体浓度超标时自动启动,也可通过外部按钮手动触发。
3. 水喷淋系统(选配):复燃抑制绝杀方案
· 启动条件:气体灭火无法控制火情时,由站控人员手动接入外部消防水。
· 参数配置:工作水压0.35MPa,单只喷头流量 80L/min,喷放角度 120°,舱内布设 5 只喷头。
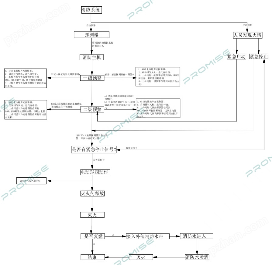
三、消防控制逻辑:自动与手动双重保障
1. 自动控制流程
· 一级报警:气体浓度达一阈值→声光报警→断开簇级断路器→启动进排风。
· 二级报警:气体浓度达第二阈值+ 感温 / 感烟预警→关闭排风→启动气体灭火延时(0~30s 可调)→喷放灭火剂。
2. 手动与紧急控制
· 手动启动:按下紧急启动按钮→触发灭火延时→关闭风口→喷放灭火剂。
· 紧急停止:在延时阶段按下停止按钮,可终止灭火程序。

消防系统动作逻辑图
四、核心设计亮点
· 分级预警:通过气体浓度阈值与温度变化率双重判断,减少误报漏报。
· 洁净灭火:全氟己酮不导电、无残留,对电池系统无二次损伤。
· 冗余设计:UPS 电源(2kVA/30min)确保断电时消防系统持续运行。
普思这套全自动消防灭火系统以"探测 - 预警 - 灭火 - 抑制复燃" 的全链条设计,为储能电池舱构筑起智能化、多层次的安全屏障,确保能量存储与释放过程的可靠运行。
如果您正在为储能电池舱寻求高效、智能的消防解决方案,普思全自动电池舱消防灭火系统将是您守护储能安全的坚实后盾。详情了解:4000316686 山东普思智能科技有限公司


